Fitting a Chev 2.5 engine to a Series Land-Rover
Why?
The Chev 2.5 engine is fairly close to the Land-Rover 2.25
engine in power output, size and weight.
So why go to the trouble of replacing the stock, extremely
tough LR engine with something else?
Different "Chev 2.5" Engines
I found that there's some confusion about the
Chev 2.5 and the "Iron Duke", which are
completely different engines. I also found, the
hard way, that there are various flavours of the
Chev 2.5 engine, with different seals, different
compression ratios, and probably a few differences
that I have yet to find. So, here's my attempt at
The Definitive Chev 2.5 Page.
Overhaul
If you're interested in the nitty gritty of the overhaul,
go here. Summary: it cost me
R5733.08 + (my) labour, in 2000. Worth it, I think.
2002-11-14: I'm overhauling another engine. Parts are
about 50% more expensive.
Fitting the Chev 2.5
OK, so I was under the impression that it would be a fairly
easy drop-in replacement. Well, it's fairly easy,
compared to some conversions I have seen, but not quite
trivial.
Modification to the chassis
The oil filter and the righthand side engine mount outrigger
are in the same place. I suppose I could have fitted a remote
oil filter, but I decided to cut off the mount and to have
a new mount manufactured and welded to the rear of the
existing mount.
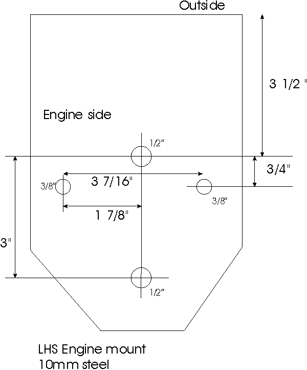
Engine mounts
I had two plates made up to adapt the Land-Rover engine mounts
to the Chev engine. The first ones were of 3mm steel plate,
these bent during the Y2K trip, so I made new ones using
10mm steel (overkill? Indeed!).
You also need four 3/8" dia studs, about 2" long, with UNC thread
on the one side and UNF on the other. Locktite these into the
block, and fit the plates using hi-tensile nuts and lock
washers.
Interference between adaptor plate and chassis
When I first started the engine there was an incredible
vibration. Eventually traced it to the adaptor
plate hitting the chassis. Fixed the problem with an angle
grinder, took off a fairly large piece of the
adaptor plate.
Clutch spacer
Important! I used an old but good clutch plate
I had lying around. All was fine. I had to fit a new
clutch in Messina (Read the Y2K writeup for details)
and then a problem surfaced. You need a
12mm spacer between the release bearing and the pressure
plate.
At least, I think 12mm is
the right size, it works for me for now.
Running in, how NOT to do it
As always, I finished working on the Land-Rover at 13:00,
and we left to go on the Y2K tour
at 15:00, with less than 100kms on the brand new
engine. Not recommended. At all.
Performance.
The engine behaved really well, some teething problems, but
we travelled a lot faster than we would
have done with the stock 2 1/4. I must admit, I really missed
the 2 1/4's low down torque in the thick
sand at Tsodillo Hills in Botswana, but OTOH we were able to
leave Ai-Ais the morning and reach
Bellville (about 800km) just after sunset the same day,
something my 2 1/4 would not have been capable of.
Problems.
- When I started this project, I was under the impression that
the Chev 2.5 had a "proper" elastomeric rear crank seal, and not
a rope seal like the 2 1/4. Well, the block I rebuilt takes a
rope seal. But the gasket kit comes with both types, which tells
me that there was a design change somewhere along the way. I checked
the other block I have and yes, it takes the elastomeric seal.
The engine leaked, nay, pissed, oil out the back since day one.
After we got back from the Y2K tour, I pulled the engine and
got Peter Burgers, who has done this job a few times before, to
help me replace the seal. Result? Still pisses oil like crazy.
So I figured out that just maybe I ended up with a rope-seal block
and an elastomeric-seal crankshaft. So I rebuild another engine,
and I must say, it leaks less oil. As a matter of fact, it looks
as if the oil is *not* leaking from the rear seal at all (touch
wood).
- The engine pinged under load with low octane fuel.
Did you know that there's a low and a high compression head for the
Chev 2.5? Neither did I. Engine #2 has the low-compression head and
I'm very impressed with the engine.
- The engine mounts shifted during the Y2K trip, with the
engine sitting about 3cm lower (at the front pulley) than
when I installed it. See note on 10mm engine mounts above.
- Not really a problem per se, but the Chev sump
holds very little oil (about 3.5 liters, compared to 8 or
so for the 2 1/4). I had a bigger sump welded up, which takes
about 6 liters.
Back to Wouter's Land Rover page
(This page last modified 2005-04-29)